engle_e330_ii维修电器原理图说明书手册

engle_e330_ii维修电器原理图说明书手册新质力文库 - 聚焦新质生产力发展的数字化知识库_行业洞察 / 理论成果 / 实践指南免费下载新质力文库
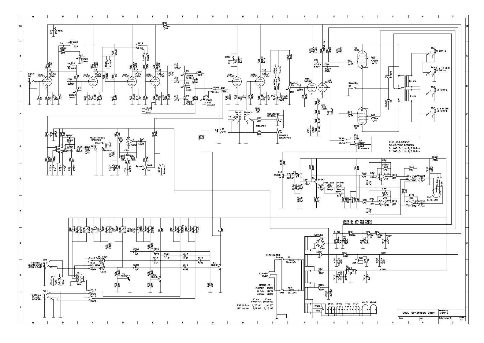
engle_e330_ii维修电器原理图说明书手册
此内容为付费资源,请付费后查看
2232
立即购买
您当前未登录!建议登陆后购买,可保存购买订单
付费资源

第1页 / 共1页
已完成全部阅读,共1
THE END
RE2C2oh2。22236染毁156E_BC547,rt是9C45.tandont达刻訟鲜N-SCHN醉+24JAPAN-108U7eg语如的的函的ENGL Ger Stebau GmbH 330-2
喜欢就支持一下吧
评论 抢沙发

请登录后发表评论

    请登录后查看评论内容