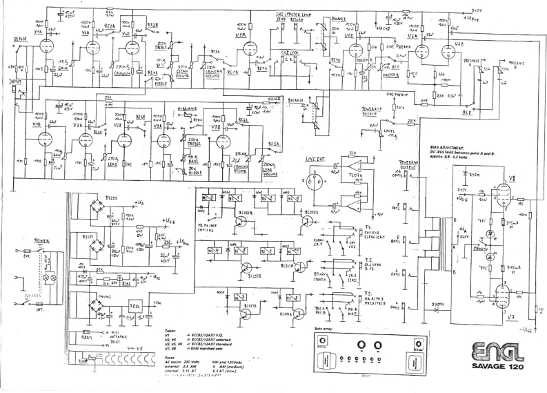
engle_savage_120维修电器原理图说明书手册

engle_savage_120维修电器原理图说明书手册新质力文库 - 聚焦新质生产力发展的数字化知识库_行业洞察 / 理论成果 / 实践指南免费下载新质力文库
engle_savage_120维修电器原理图说明书手册
此内容为付费资源,请付费后查看
2232
立即购买
您当前未登录!建议登陆后购买,可保存购买订单
付费资源

第1页 / 共1页
已完成全部阅读,共1
THE END
Herte¥4VSAA-红231C生(inESLAS ADUSTMYNT⊙N-eL7464IME DU型年我春-智T7v15¥125+MxT01使空孕1(22出3网NTTECCDMEAY FO.TZ◆CaAW24ped候性挥·[CCD2AO mdane0¥-VFVZ V。dr电00enae%右999999eeul大AAwSAVAGE 120irremal J.15 AT卡,4A行117▣非村
喜欢就支持一下吧
评论 抢沙发

请登录后发表评论

    请登录后查看评论内容