escort30维修电器原理图说明书手册

escort30维修电器原理图说明书手册新质力文库 - 聚焦新质生产力发展的数字化知识库_行业洞察 / 理论成果 / 实践指南免费下载新质力文库
escort30维修电器原理图说明书手册
此内容为付费资源,请付费后查看
2232
立即购买
您当前未登录!建议登陆后购买,可保存购买订单
付费资源

第1页 / 共1页
已完成全部阅读,共1
THE END
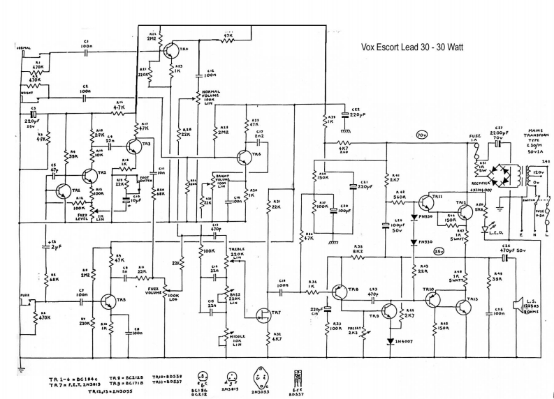
Vox Escort Lead 30-30 Watt6CEIN1@2200yFT下r相L lo/M4420¥582224158L.L.mT我L2拉28nT我eLS.68n470381N487T我1-4:5G14gTA9。BC1住BTA08P550F.L.T.T内5a最L71BTAB、6D537開
喜欢就支持一下吧
评论 抢沙发

请登录后发表评论

    请登录后查看评论内容