et1_echotwin维修电器原理图说明书手册

et1_echotwin维修电器原理图说明书手册新质力文库 - 聚焦新质生产力发展的数字化知识库_行业洞察 / 理论成果 / 实践指南免费下载新质力文库
et1_echotwin维修电器原理图说明书手册
此内容为付费资源,请付费后查看
2232
立即购买
您当前未登录!建议登陆后购买,可保存购买订单
付费资源

第1页 / 共1页
已完成全部阅读,共1
THE END
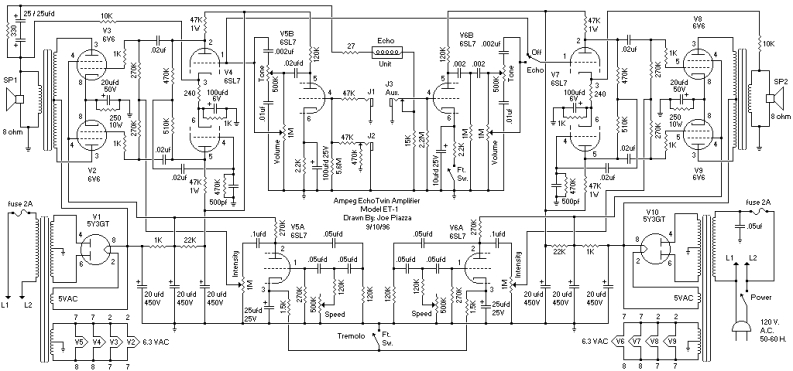
25125ud47KV3品V5B696L7Echo2767002u02u101K002ufQ000002uf利Unit00200Echo69L7SP22401w利47240YYTYYohm32902u002u02u器fuge 2A500Ampeg EchoTvin Amplifierfuse 2AModel ET.11Drawn Bg:Joe Piazza5Y3GT9103684.051f22K6SL705ufd678222L220 ufd20ud20 uld20 ud20u日20u时SVACL1L245W450/450W450V450W450V225V25v120V.AC.Tremolo54363¥AC6.3YACV65060H
喜欢就支持一下吧
评论 抢沙发

请登录后发表评论

    请登录后查看评论内容