

第1页 / 共2页
试读已结束,还剩1页,您可下载完整版后进行离线阅读
THE END
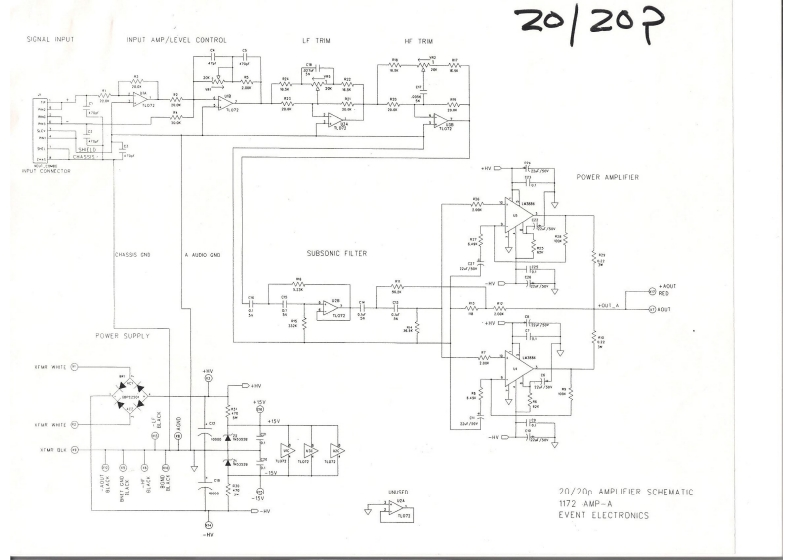
SIGNAL INPUTINPUT AMP /LEVEL CONTROLLF TRINHE TRIM2|2R4=++WPOWER AVPLIFIERCH山595NA AUDI GMOSUBSONIC FILTER+8U⊙+0A①0,1POWER SUPPLY4ru4酒情Tt⑤D98r450aru年0L4@接期20/20n AMPI IFIER SCHEMATIC51172 AMP-AEVENT ELECTRONICS-HY
请登录后查看评论内容