fender_ultralinear_pro_rev维修电器原理图说明书手册

fender_ultralinear_pro_rev维修电器原理图说明书手册新质力文库 - 聚焦新质生产力发展的数字化知识库_行业洞察 / 理论成果 / 实践指南免费下载新质力文库
fender_ultralinear_pro_rev维修电器原理图说明书手册
此内容为付费资源,请付费后查看
2232
立即购买
您当前未登录!建议登陆后购买,可保存购买订单
付费资源

第1页 / 共1页
已完成全部阅读,共1
THE END
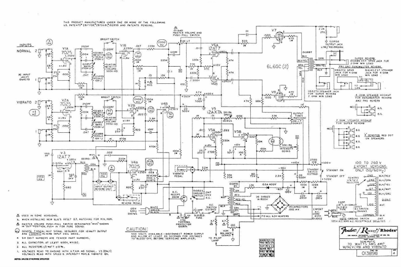
INPUTS22502770256L6GC(2)DAe红值043可月¥2VIBRATOV482x7400t2Es0140010st044544dn0522ATVAA100T0260¥7025上"OLrS0/G0H2】20/g510w2#L生/6季与00-42./3L/0点565出50=E505.r呢s51469f”4sf5fa.元a66f01k同m么5燃ra分:t当CAUTION:3 ALL CArACITCR A1 &EAST sDOY.wvaE-70w:"5Aw2244451020:WHEVERB ANO VIBDATO01389i口4钟网g
喜欢就支持一下吧
评论 抢沙发

请登录后发表评论

    请登录后查看评论内容