Fender-30-pwr-电气原理图手册

Fender-30-pwr-电气原理图手册新质力文库 - 聚焦新质生产力发展的数字化知识库_行业洞察 / 理论成果 / 实践指南免费下载新质力文库
Fender-30-pwr-电气原理图手册
此内容为付费资源,请付费后查看
2232
立即购买
您当前未登录!建议登陆后购买,可保存购买订单
付费资源

第1页 / 共1页
已完成全部阅读,共1
THE END
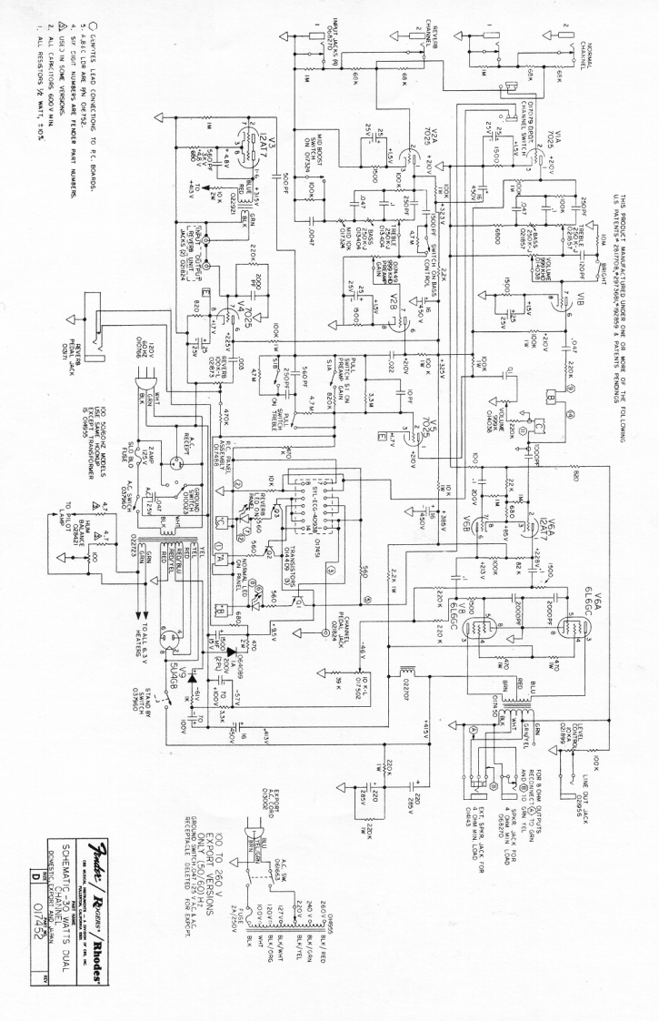
O法ALALL CAPACITORS 6OOV MINUSE)IN SOME VERSIONSSIY CIGIT NUMBERS ARE FENOER PART NUNBERSABSC LDR ARECHANNE罐2520.220402EXPORT VERSIONS100 TO 260 V360TBLK/YELL1EO
喜欢就支持一下吧
评论 抢沙发

请登录后发表评论

    请登录后查看评论内容