Fender-AmpCan-pwr-电气原理图手册

Fender-AmpCan-pwr-电气原理图手册新质力文库 - 聚焦新质生产力发展的数字化知识库_行业洞察 / 理论成果 / 实践指南免费下载新质力文库
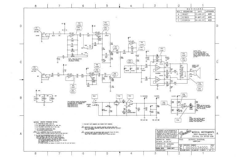
Fender-AmpCan-pwr-电气原理图手册
此内容为付费资源,请付费后查看
2232
立即购买
您当前未登录!建议登陆后购买,可保存购买订单
付费资源

第1页 / 共2页
试读已结束,还剩1页,您可下载完整版后进行离线阅读
THE END
65321RE¥151055APR3271-Ms-7有EC帽2314-4Y-27有ECCR12424--97a44品爱满芦个器祭品智品品金a置股第世金器器“INSTRUMENTSC0USACC0000作0rCSERVCE DWGRAM区4花对-题-47AVICANCP0050534000图824aUW4四4F1?852
喜欢就支持一下吧
评论 抢沙发

请登录后发表评论

    请登录后查看评论内容