Fender-Bas维修说明书手册含电器原理图an70-pwr-电气原理图手册

Fender-Bas维修说明书手册含电器原理图an70-pwr-电气原理图手册新质力文库 - 聚焦新质生产力发展的数字化知识库_行业洞察 / 理论成果 / 实践指南免费下载新质力文库
Fender-Bas维修说明书手册含电器原理图an70-pwr-电气原理图手册
此内容为付费资源,请付费后查看
2232
立即购买
您当前未登录!建议登陆后购买,可保存购买订单
付费资源

第1页 / 共1页
已完成全部阅读,共1
THE END
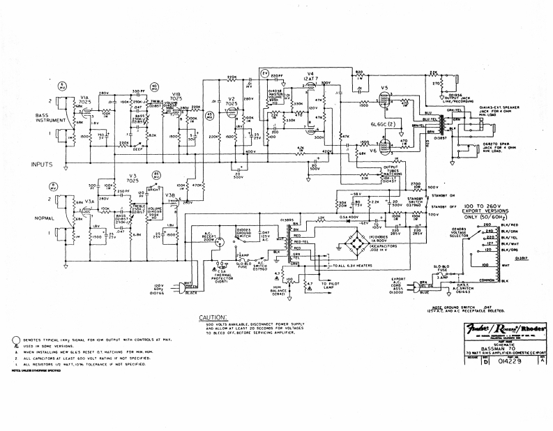
12AT 7VIA702520日A556c2】20009。NPUTS7025®00t1040hwrG制STAMDET OFF00T0260V的EXPORT VERSON50¥NOOMALONLY 50/60Hz]42L/材D限/GBAA/VEL/T0佛天/0约电2472DECEACL LECAUTION:10来f6eCF.tEF0aE5C商VC6 AMPLITIE.。F税0t多TTPIAL IKMI好HAL FOR的auTeu”nT=GT925T%:乙U5中两G料E间雀o车生日A55 MAN TO30触TT的5ALfC-0CTCC3士ALL CAMCITOR3ATLL5T4D的OLT RATNG IF NOT SEC球tB1LAaU5聘0销界及4T1,0%t线E4CtFg4NCfE0.04229
喜欢就支持一下吧
评论 抢沙发

请登录后发表评论

    请登录后查看评论内容