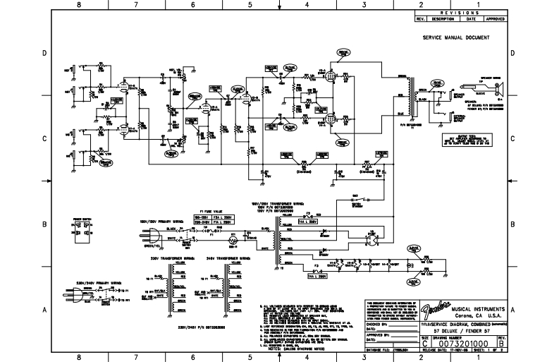
Fender-Deluxe57-pwr-电气原理图手册

Fender-Deluxe57-pwr-电气原理图手册新质力文库 - 聚焦新质生产力发展的数字化知识库_行业洞察 / 理论成果 / 实践指南免费下载新质力文库
Fender-Deluxe57-pwr-电气原理图手册
此内容为付费资源,请付费后查看
2232
立即购买
您当前未登录!建议登陆后购买,可保存购买订单
付费资源

第1页 / 共6页
试读已结束,还剩5页,您可下载完整版后进行离线阅读
THE END
876532REV.DESCHPTION DATE APPROVES复RVICE NANUAL DOCUNENTD3营aC@0-h1B要2444B悠/蒂散NUSICAL NSTRUNENTSCorone.CA U.S.A.nnErSERVICE DIACRAM.COMBNED eenk57 DELUXE FENOER 57007320100085421
喜欢就支持一下吧
评论 抢沙发

请登录后发表评论

    请登录后查看评论内容