

第1页 / 共5页
试读已结束,还剩4页,您可下载完整版后进行离线阅读
THE END
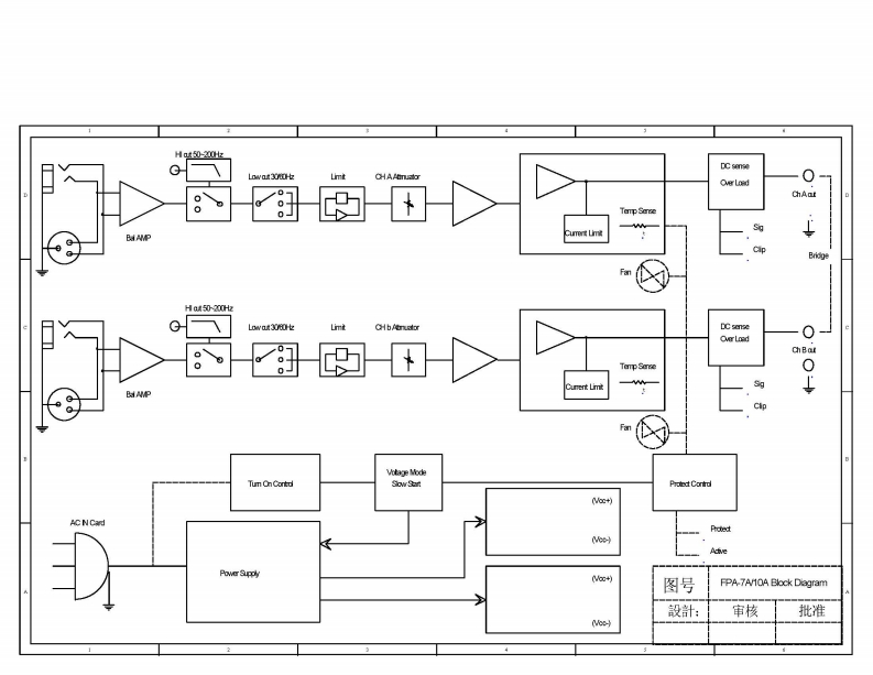
H以50-230H也DC senseLowat300HzLmtCHAAorOver Loed00ChAat0Temp Serre-WBIAMPCurert LimiteH 50-200H2QLowat 3060HCHbAnutorDC深OerLned07000Temp Serre0Cst山t时PVotage ModeTum On ContdSowSarProted Cortrd(Voc+)Proted(Vee)DPower Supoly(Voc+)图号FPA-7AM10A Block Diagram設計:审核批准(Veo
请登录后查看评论内容