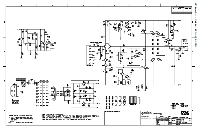
GallienKrueger-Backline210-pwr-电气原理图手册348072@abc6个月前发布关注私信3.38MB16页046GallienKrueger-Backline210-pwr-电气原理图手册此内容为付费资源,请付费后查看¥22¥32黄金会员免费钻石会员免费立即购买您当前未登录!建议登陆后购买,可保存购买订单付费资源 第1页 / 共16页 试读已结束,还剩15页,您可下载完整版后进行离线阅读 THE END说明书手册 喜欢就支持一下吧收藏
请登录后查看评论内容