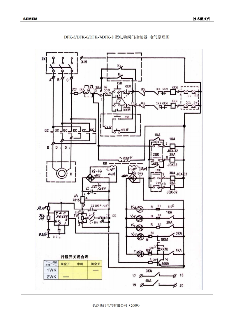
DFK-5(678)型电动阀门控制器电气原理图348072@abc5个月前发布关注私信0.19MB1页028DFK-5(678)型电动阀门控制器电气原理图此内容为付费资源,请付费后查看¥16¥19黄金会员免费钻石会员免费立即购买您当前未登录!建议登陆后购买,可保存购买订单付费资源 第1页 / 共1页 已完成全部阅读,共1页 THE END人工智能说明书手册 喜欢就支持一下吧收藏
请登录后查看评论内容