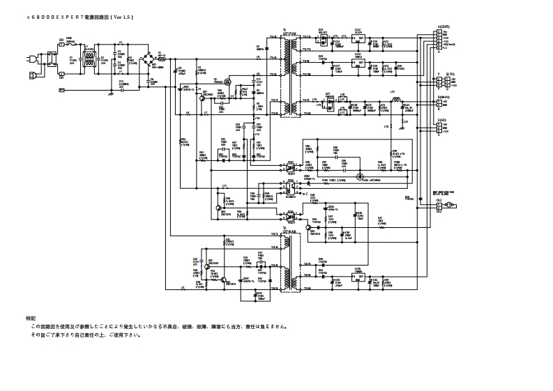
X68000_EXPERT_PSU_Schematics_v1.5348072@abc5个月前发布关注私信47.68KB1页039X68000_EXPERT_PSU_Schematics_v1.5此内容为付费资源,请付费后查看¥17¥21黄金会员免费钻石会员免费立即购买您当前未登录!建议登陆后购买,可保存购买订单付费资源 第1页 / 共1页 已完成全部阅读,共1页 THE END说明书手册 喜欢就支持一下吧收藏
请登录后查看评论内容