Acer-Aspire-4320-4720-4720G-4720Z—QUANTA-ZO1—AUDIO-BOARD笔记本电器原理图

Acer-Aspire-4320-4720-4720G-4720Z---QUANTA-ZO1---AUDIO-BOARD笔记本电器原理图新质力文库 - 聚焦新质生产力发展的数字化知识库_行业洞察 / 理论成果 / 实践指南免费下载新质力文库
Acer-Aspire-4320-4720-4720G-4720Z—QUANTA-ZO1—AUDIO-BOARD笔记本电器原理图
此内容为付费资源,请付费后查看
2328
立即购买
您当前未登录!建议登陆后购买,可保存购买订单
付费资源

第1页 / 共1页
已完成全部阅读,共1
THE END
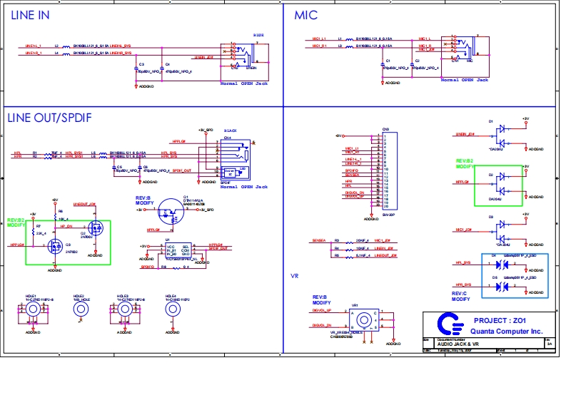
UNE INMIC11C111 11/RMO11121616IFFH1mLH11的11提aINE+R_1Mm出的的的L通oral OPDN JaekLINE OUT/SPDIF+VMNED0L14.1REV.B2MODIFYHEFLGSornal OPD JackRV日MODFY+30110+3w.0104MCLID二B110E1 EwLIKE 4 LIFCUT DBaingP3J0保06出ndP4F0W型.REVCREV.BMODFYMODIFYPROJECT ZO1Quanta Computer Inc.AUDIO JACK&VRLw■
喜欢就支持一下吧
评论 抢沙发

请登录后发表评论

    请登录后查看评论内容