ACER-ASPIRE-4743-4743Z-JE43-CP-REV–1笔记本电器原理图

ACER-ASPIRE-4743-4743Z-JE43-CP-REV--1笔记本电器原理图新质力文库-办公文档-行业资料-建筑施工-教育学习-标准规范-工作总结-资料下载新质力文库
ACER-ASPIRE-4743-4743Z-JE43-CP-REV–1笔记本电器原理图
此内容为付费资源,请付费后查看
2328
立即购买
您当前未登录!建议登陆后购买,可保存购买订单
付费资源

第1页 / 共69页

第2页 / 共69页
试读已结束,还剩67页,您可下载完整版后进行离线阅读
© 版权声明
THE END
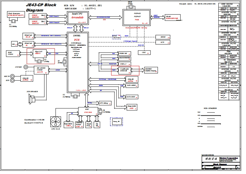
JE43-CP BlockcF▣■EccICB P/N:91.4N101.0011红2m1DiagramREVIS ION:10277-1Inid CPU6gIB月Arrandalewna.m0PCHwGpa LANCaTAC”的4CU143气他nADUC如E■Rah RONCardkead4r-2且1nMadioss271XCFU FAN岭制或通号五普BiockDleem
喜欢就支持一下吧
点赞7 分享
评论 抢沙发

请登录后发表评论

    暂无评论内容