

第1页 / 共35页

第2页 / 共35页
试读已结束,还剩33页,您可下载完整版后进行离线阅读
THE END
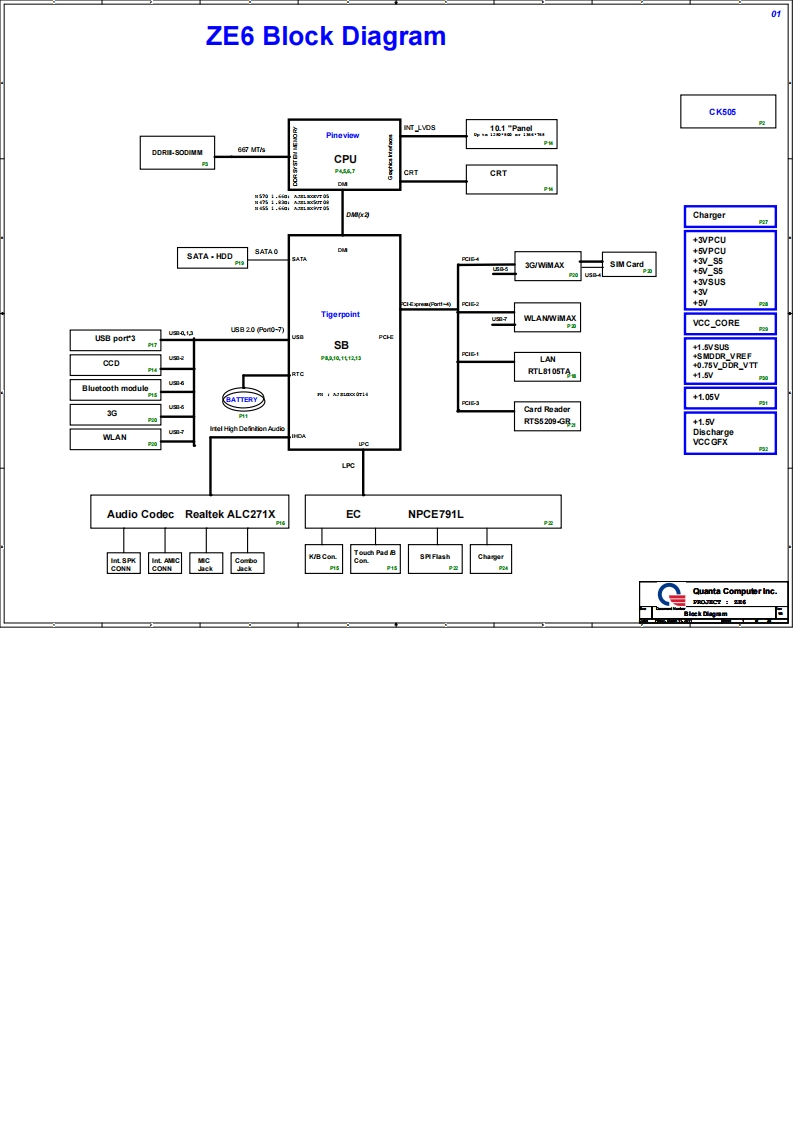
01ZE6 Block DiagramCK505INTLVOSPineview11P2nDORII-SODIMME6冒TNCPUP5CRTCRTPM批Charger+3VPCUSATA.HDD+5VPCUSATACIC-43G/WIMAXSIM Card+3Ws50+5V_s5+3VSUS+3VCHpre(Port与CIE-2Tigerpoint@7WLANWiMAXu8820et0-7PVCC_COREUSB port的细013PCHESB+1.5VSUSLAN+SMDDR_VREFCCD4RTL8105TA。40.75V_DDR_VTTRTC41.5Bluetooth module6BATTERY+1.05V四6Card ReaderP110RTS5209-GBa+1.5VWLAN02LPCAudio Codec Realtek ALC271XECNPCE791LTouch Pad B品网网&]K/BConCon.SFAsh54
请登录后查看评论内容