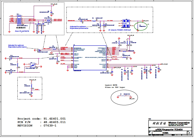
ACER-EXTENSA-5230-5630-FINGERPRINT-TCS4EA–WISTRON-HOMA—REV–1-笔记本电器原理图

ACER-EXTENSA-5230-5630-FINGERPRINT-TCS4EA--WISTRON-HOMA---REV--1-笔记本电器原理图新质力文库 - 聚焦新质生产力发展的数字化知识库_行业洞察 / 理论成果 / 实践指南免费下载新质力文库
ACER-EXTENSA-5230-5630-FINGERPRINT-TCS4EA–WISTRON-HOMA—REV–1-笔记本电器原理图
此内容为付费资源,请付费后查看
2328
立即购买
您当前未登录!建议登陆后购买,可保存购买订单
付费资源

第1页 / 共1页
已完成全部阅读,共1
THE END
量鞋D时元4EAA1EbFP_DETECTc品ayout0里Place on TOP layr孟Project code:91.42401.001PCB P/N:48.42405.011醇创資通REVISION:07639-1熙ouPEK FIngerprint TCS4EAHOMA1
喜欢就支持一下吧
评论 抢沙发

请登录后发表评论

    请登录后查看评论内容