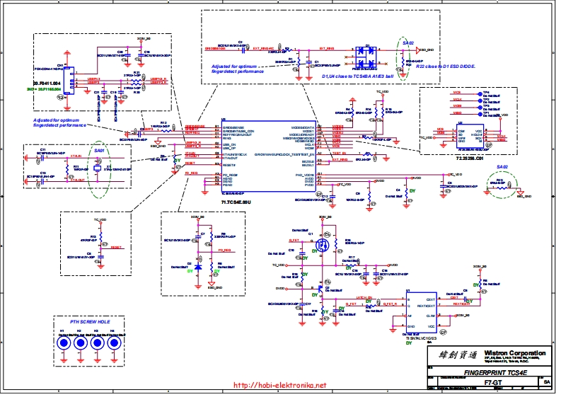
ACER-FERRARI-1200—FERRARI-WISTRON-F7-GT—FINGERPRINT笔记本电器原理图

ACER-FERRARI-1200---FERRARI-WISTRON-F7-GT---FINGERPRINT笔记本电器原理图新质力文库-办公文档-行业资料-建筑施工-教育学习-标准规范-工作总结-资料下载新质力文库
ACER-FERRARI-1200—FERRARI-WISTRON-F7-GT—FINGERPRINT笔记本电器原理图
此内容为付费资源,请付费后查看
2328
立即购买
您当前未登录!建议登陆后购买,可保存购买订单
付费资源

第1页 / 共1页
已完成全部阅读,共1
© 版权声明
THE END
D1 ESD DODE04L04g4072225.别7了G4e0UPTH SCREW HOLE9009醇剑資通oFINGERPRINT TCS4Ehttp://hobi-elektronika.netF7-GT
喜欢就支持一下吧
点赞10 分享
评论 抢沙发

请登录后发表评论

    暂无评论内容