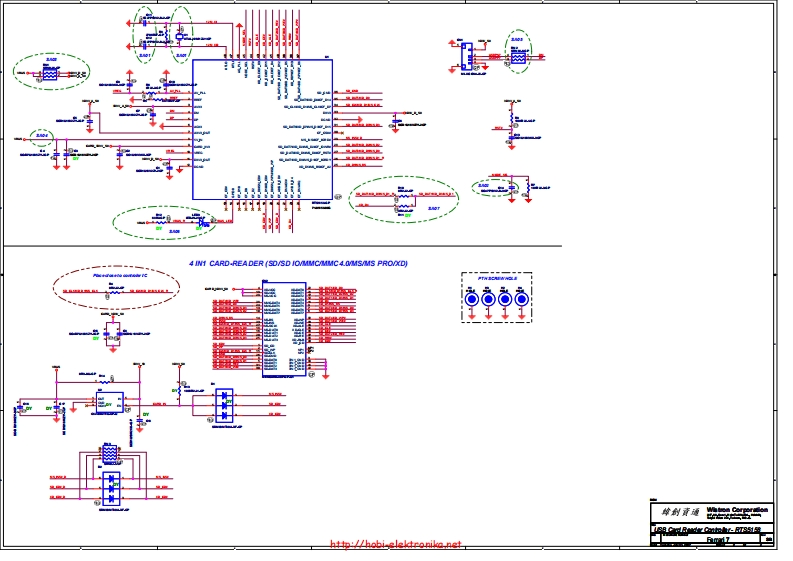
ACER-FERRARI-1200—FERRARI-WISTRON-F7-GT—USB-CARD-READER笔记本电器原理图

ACER-FERRARI-1200---FERRARI-WISTRON-F7-GT---USB-CARD-READER笔记本电器原理图新质力文库-办公文档-行业资料-建筑施工-教育学习-标准规范-工作总结-资料下载新质力文库
ACER-FERRARI-1200—FERRARI-WISTRON-F7-GT—USB-CARD-READER笔记本电器原理图
此内容为付费资源,请付费后查看
2328
立即购买
您当前未登录!建议登陆后购买,可保存购买订单
付费资源

第1页 / 共1页
已完成全部阅读,共1
© 版权声明
THE END
每1111111111114 INT CARD-READER (SD/SD JO/MMC/MMC4.MMS/MS PROXD)6600年王斡的直通}88Pa-线htto://hobielektronika-net
喜欢就支持一下吧
点赞9 分享
评论 抢沙发

请登录后发表评论

    暂无评论内容