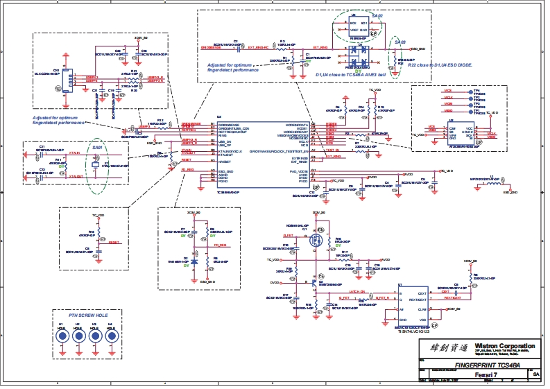
FINGERPRINT_TCS4BA笔记本电器原理图348072@abc4个月前发布关注私信0.17MB2页049FINGERPRINT_TCS4BA笔记本电器原理图此内容为付费资源,请付费后查看¥19¥23黄金会员免费钻石会员免费立即购买您当前未登录!建议登陆后购买,可保存购买订单付费资源 第1页 / 共2页 第2页 / 共2页 已完成全部阅读,共2页 THE END说明书手册 喜欢就支持一下吧收藏
请登录后查看评论内容