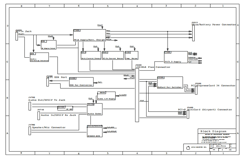
MBP15-LIO-MBP15—051-7226笔记本电器原理图

MBP15-LIO-MBP15---051-7226笔记本电器原理图新质力文库-办公文档-行业资料-建筑施工-教育学习-标准规范-工作总结-资料下载新质力文库
MBP15-LIO-MBP15—051-7226笔记本电器原理图
此内容为付费资源,请付费后查看
1923
立即购买
您当前未登录!建议登陆后购买,可保存购买订单
付费资源

第1页 / 共20页

第2页 / 共20页
试读已结束,还剩18页,您可下载完整版后进行离线阅读
© 版权声明
THE END
喜欢就支持一下吧
点赞12 分享
评论 抢沙发

请登录后发表评论

    暂无评论内容