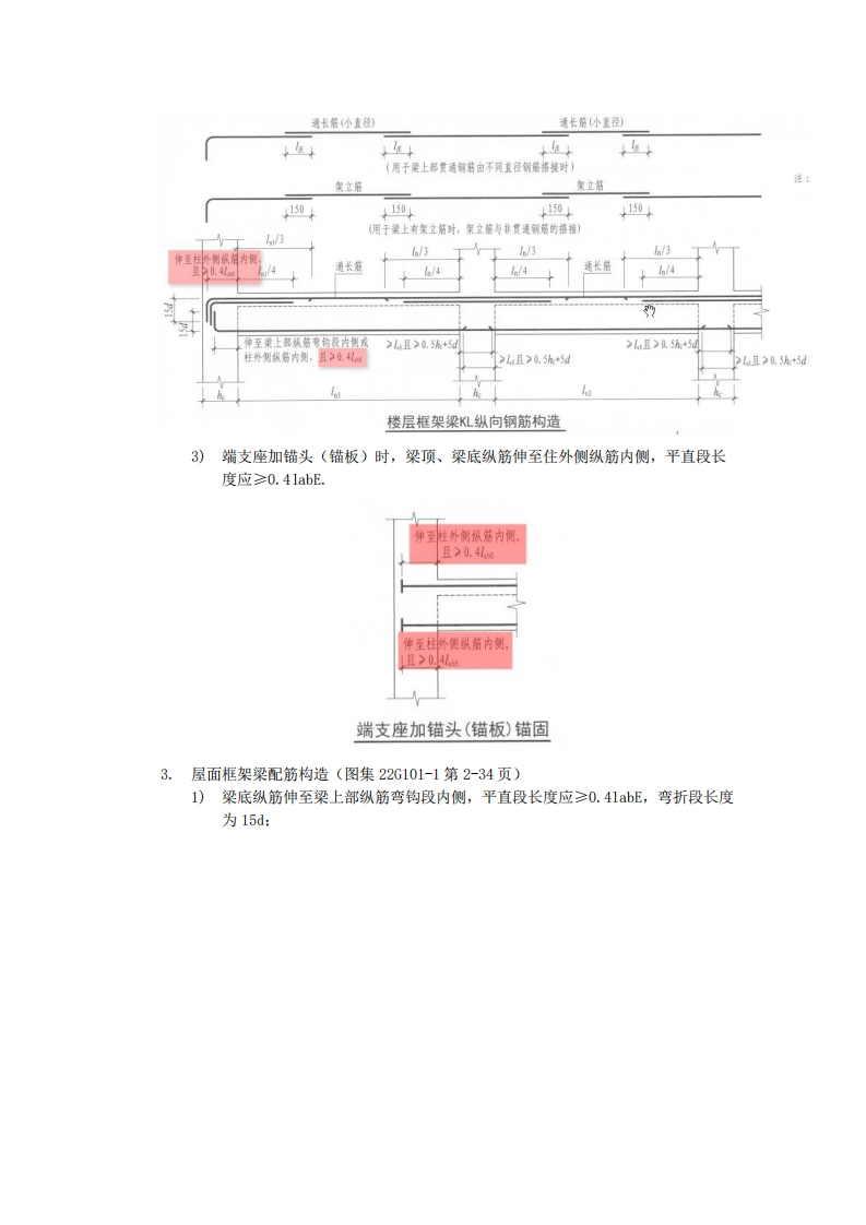
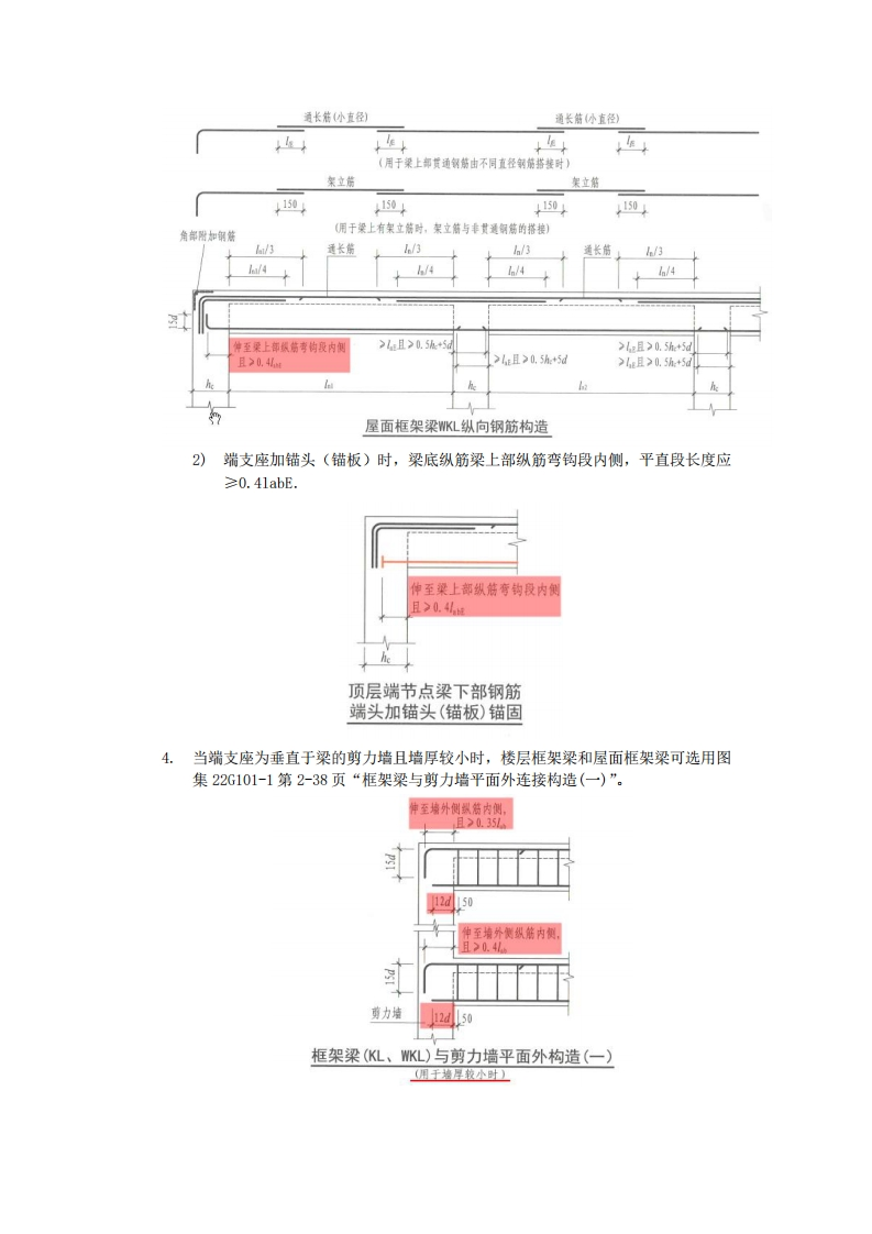
梁纵筋端支座锚固长度的重要性-王志华-240627终版348072@abc28天前发布关注私信0.65MB10页0216梁纵筋端支座锚固长度的重要性-王志华-240627终版此内容为付费资源,请付费后查看¥13¥17黄金会员免费钻石会员免费立即购买您当前未登录!建议登陆后购买,可保存购买订单付费资源 第1页 / 共10页 第2页 / 共10页 第3页 / 共10页 第4页 / 共10页 第5页 / 共10页 试读已结束,还剩5页,您可下载完整版后进行离线阅读 © 版权声明文章版权归作者所有,未经允许请勿转载。THE ENDExcel表格Matlab仿真PPT模板医学类医疗医药单片机设计历史学类品牌营销哲学类土木工程学习资源学术论文安卓开发工学类教育学类文学类法学类理学类管理学类经济学类艺术学类 喜欢就支持一下吧点赞6 分享QQ空间微博QQ好友海报分享复制链接收藏
暂无评论内容