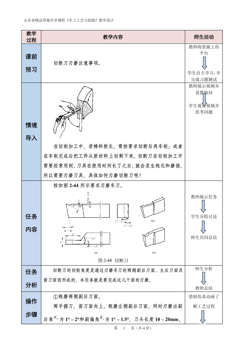
刃磨高速钢切断刀-教案348072@abc5个月前发布关注私信5.57MB7页020刃磨高速钢切断刀-教案此内容为付费资源,请付费后查看¥13¥17黄金会员免费钻石会员免费立即购买您当前未登录!建议登陆后购买,可保存购买订单付费资源 第1页 / 共7页 第2页 / 共7页 第3页 / 共7页 第4页 / 共7页 第5页 / 共7页 试读已结束,还剩2页,您可下载完整版后进行离线阅读 THE ENDExcel表格Matlab仿真PPT模板仪器仪表医疗医药单片机设计品牌营销土木工程学习资源安卓开发工控机电工程机械影像影音打印机数控机床无线电清洗设备电焊机维修手册车辆音响数码 喜欢就支持一下吧收藏
请登录后查看评论内容