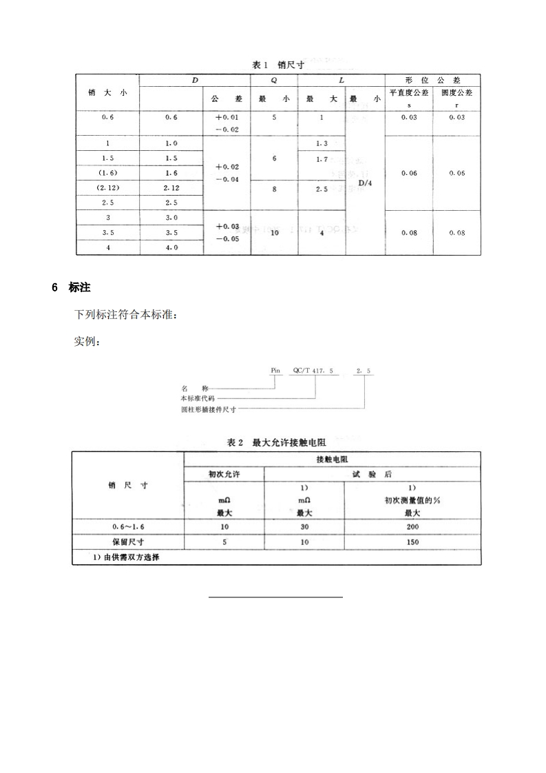
QC-T-417.5-2001车用电线束插接器第5部分–用于单线和多线插接器的圆柱式插接件-尺寸和特殊要求

QC-T-417.5-2001车用电线束插接器第5部分--用于单线和多线插接器的圆柱式插接件-尺寸和特殊要求新质力文库 - 聚焦新质生产力发展的数字化知识库_行业洞察 / 理论成果 / 实践指南免费下载新质力文库
QC-T-417.5-2001车用电线束插接器第5部分–用于单线和多线插接器的圆柱式插接件-尺寸和特殊要求
此内容为付费资源,请付费后查看
1119
立即购买
您当前未登录!建议登陆后购买,可保存购买订单
付费资源

第1页 / 共3页

第2页 / 共3页

第3页 / 共3页
已完成全部阅读,共3
THE END
喜欢就支持一下吧
评论 抢沙发

请登录后发表评论

    请登录后查看评论内容