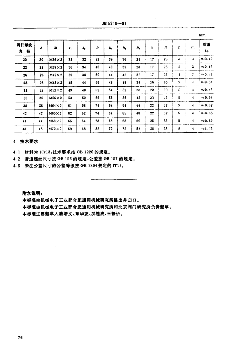
JBT-5210-1991-上密封座348072@abc4个月前发布关注私信43.54KB2页045JBT-5210-1991-上密封座此内容为付费资源,请付费后查看¥13¥19黄金会员免费钻石会员免费立即购买您当前未登录!建议登陆后购买,可保存购买订单付费资源 第1页 / 共2页 第2页 / 共2页 已完成全部阅读,共2页 THE END标准规范规章制度 喜欢就支持一下吧收藏
请登录后查看评论内容