GB-2716-2018-食品安全国家标准-植物油_202003072305071184

GB-2716-2018-食品安全国家标准-植物油_202003072305071184新质力文库-办公文档-行业资料-建筑施工-教育学习-标准规范-工作总结-资料下载新质力文库
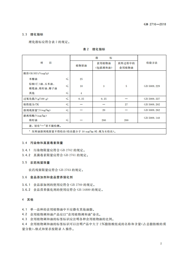
GB-2716-2018-食品安全国家标准-植物油_202003072305071184
此内容为付费资源,请付费后查看
1719
立即购买
您当前未登录!建议登陆后购买,可保存购买订单
付费资源

第1页 / 共5页

第2页 / 共5页

第3页 / 共5页

第4页 / 共5页
试读已结束,还剩1页,您可下载完整版后进行离线阅读
© 版权声明
THE END
喜欢就支持一下吧
点赞7 分享
评论 抢沙发

请登录后发表评论

    暂无评论内容