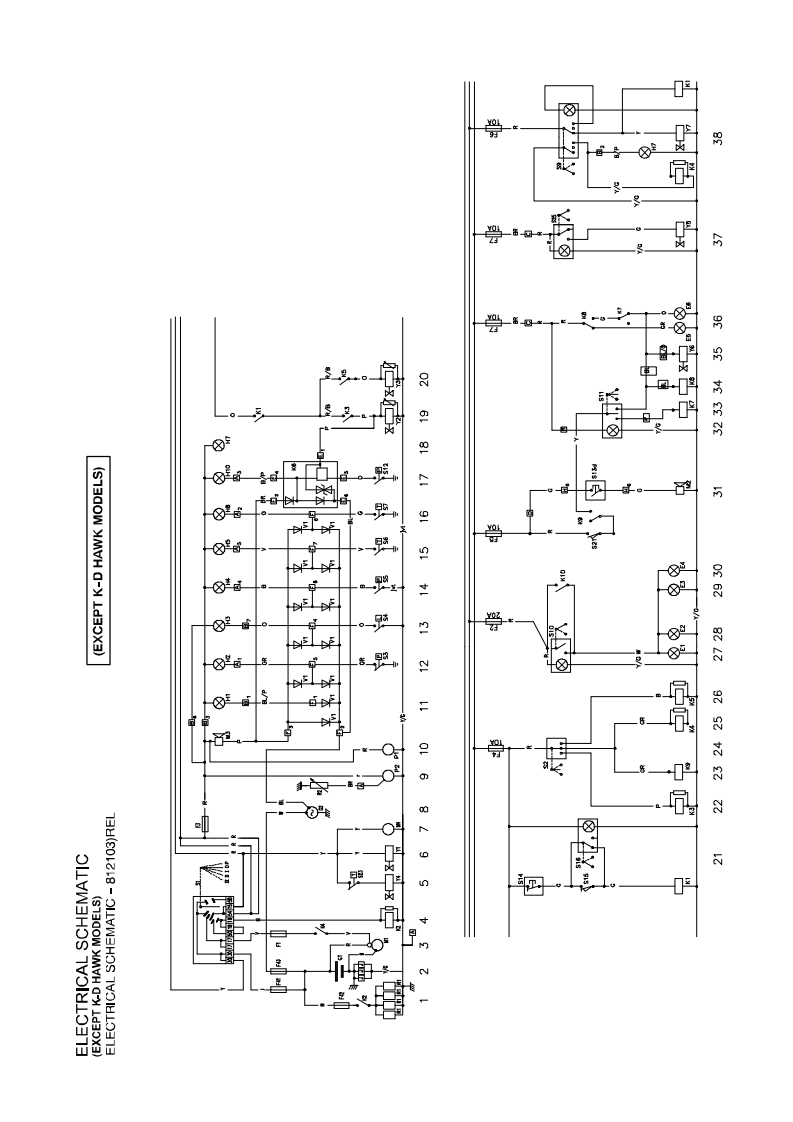
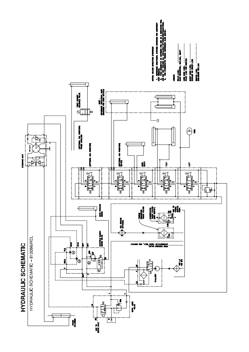
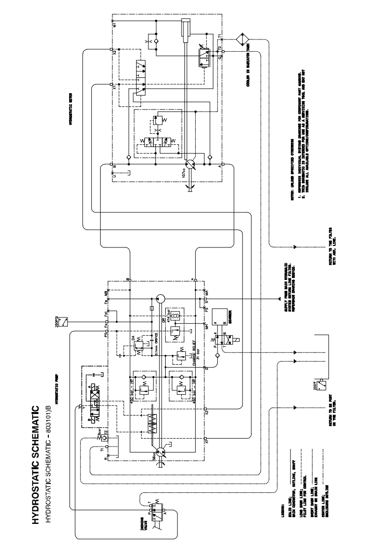
Manitou-M30-40-50-Forklift-Truck-电器原理图手册348072@abc4个月前发布关注私信0.40MB4页020Manitou-M30-40-50-Forklift-Truck-电器原理图手册此内容为付费资源,请付费后查看¥13¥19黄金会员免费钻石会员免费立即购买您当前未登录!建议登陆后购买,可保存购买订单付费资源 第1页 / 共4页 第2页 / 共4页 第3页 / 共4页 第4页 / 共4页 已完成全部阅读,共4页 THE END说明书手册 喜欢就支持一下吧收藏
请登录后查看评论内容