

第1页 / 共50页

第2页 / 共50页

第3页 / 共50页

第4页 / 共50页

第5页 / 共50页
试读已结束,还剩45页,您可下载完整版后进行离线阅读
THE END
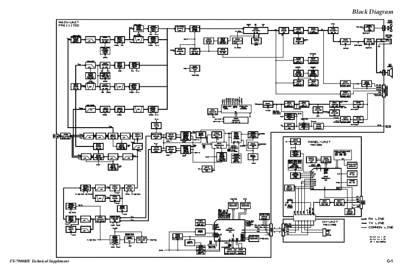
YAESUVERTEX STANDARD CO.,LTD.4-8-8 Nakameguro,Meguro-Ku,Tokyo 153-8644,JapanDual Band FM TransceiverVERTEX STANDARDUS Headquarters10900 Walker Street,Cypress,CA90630,U.S.A.YAESU UK LTD.FT-7900R/EWheClVERTEX STANDARD HK LTD.Technical Supplement.37 kwun Tong RoadVERTEX STANDARD (AUSTRALIA)PTY.,LTD.Tally Ho Business Park,10 Wesley Court,East Burwood,VIC,31512011 VERTEX STANDARD CO.,LTD.EH016M93B1300006UY■■】IntroductionThis manual provides technical information necessary for servicing the FT-7900R/E Transceiver.Servicing this equipment requires expertise in handling surface-mount chip components.Attempts by non-qualifiedpersons to service this equipment may result in permanent damage not covered by the warranty,and may be illegal insome countries.Two PCB layout diagrams are provided for each double-sided circuit board in the transceiver.Each side of thr board isreferred to by the type of the majority of components installed on that side("leaded"or"chip-only").In most cases oneside has only chip components,and the other has either a mixture of both chip and leaded components(trimmers,coils,electrolytic capacitors,ICs,etc.),or leaded components only.While we believe the technical information in this manual to be correct,Vertex Standard assumes no liability for dam-age that may occur as a result of typographical or other errors that may be present.Your cooperation in pointing out anyinconsistencies in the technical information would be appreciated.Important NoteThe transceiver was assembled using Pb(lead)free solder,based on the RoHS specification.Only lead-free solder(Alloy Composition:Sn-3.0Ag-0.5Cu)should be used for repairs performed on this appara-tus.The solder stated above utilizes the alloy composition required for compliance with the lead-free specifica-tion,and any solder with the above alloy composition may be used.ContentsSpecifications…A-1Board Unit(Schematics,Layouts Parts)Exploded View Miscellaneous Parts .....B-1MAIN Unit........F-lBlock Diagram...........C-1PANEL UnitG-1Circuit Description.......D-1CHUnitH-1Alignment ..............E-1
请登录后查看评论内容