

第1页 / 共12页

第2页 / 共12页

第3页 / 共12页

第4页 / 共12页

第5页 / 共12页
试读已结束,还剩7页,您可下载完整版后进行离线阅读
THE END
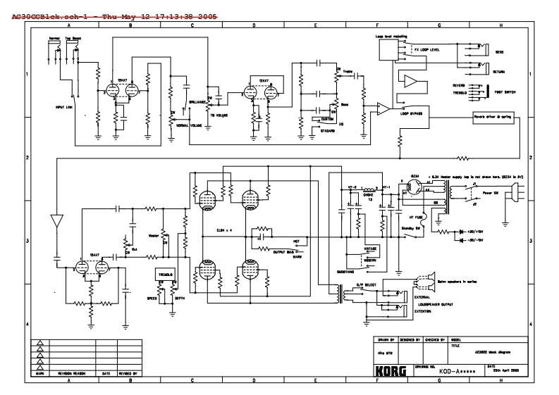
Service ManualAC30CC2AC30CC2XCONTENTSAssembly SketchPage 2PCB Components LocationPage 3-4Block DiagramPage 5Circuit DiagramPage 6-10Parts List:Page11-131st EditionIssued date:Oct.21,2005Issued by:KORG INC.
请登录后查看评论内容