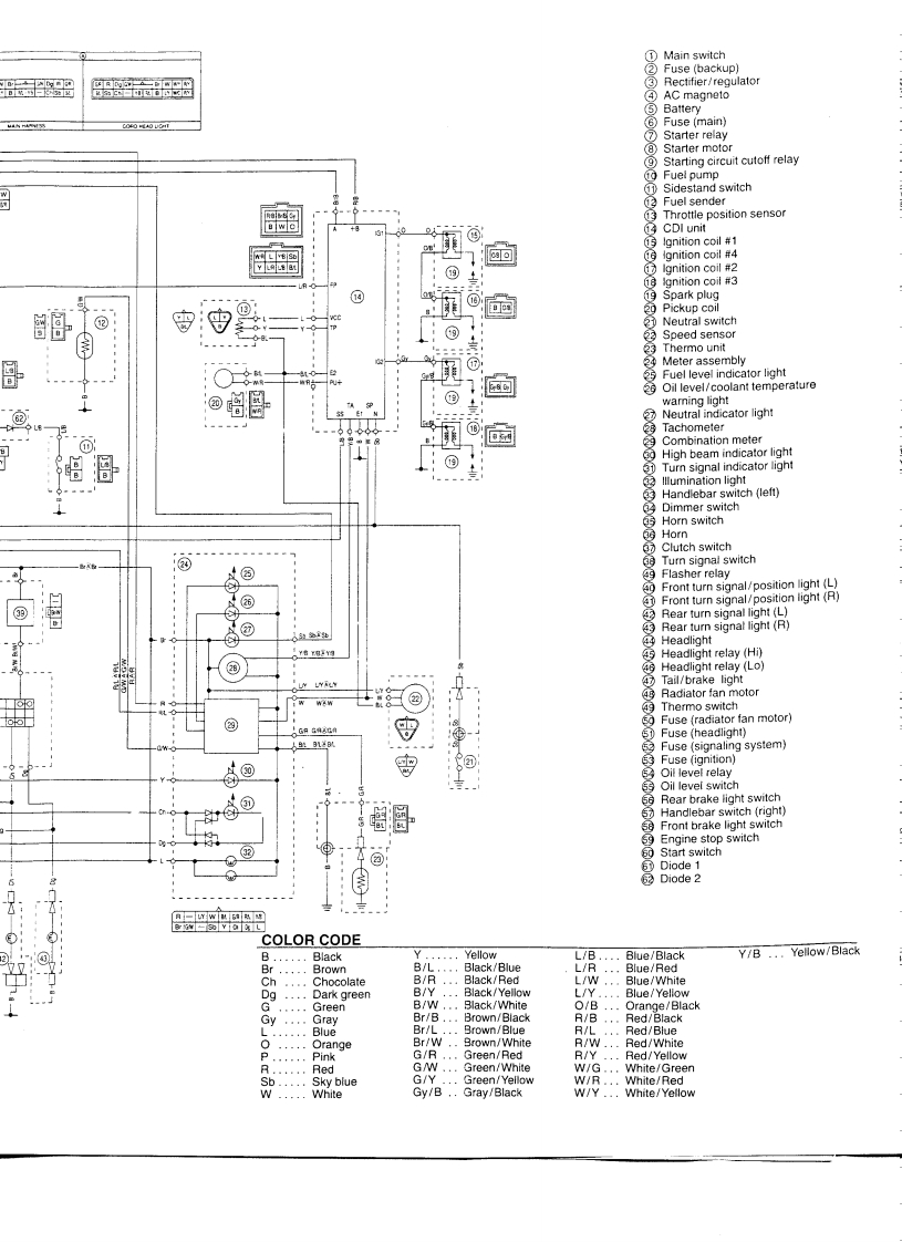
Yamaha-R6_manual_wiring

Yamaha-R6_manual_wiring新质力文库 - 聚焦新质生产力发展的数字化知识库_行业洞察 / 理论成果 / 实践指南免费下载新质力文库
Yamaha-R6_manual_wiring
此内容为付费资源,请付费后查看
1923
立即购买
您当前未登录!建议登陆后购买,可保存购买订单
付费资源

第1页 / 共2页

第2页 / 共2页
已完成全部阅读,共2
THE END
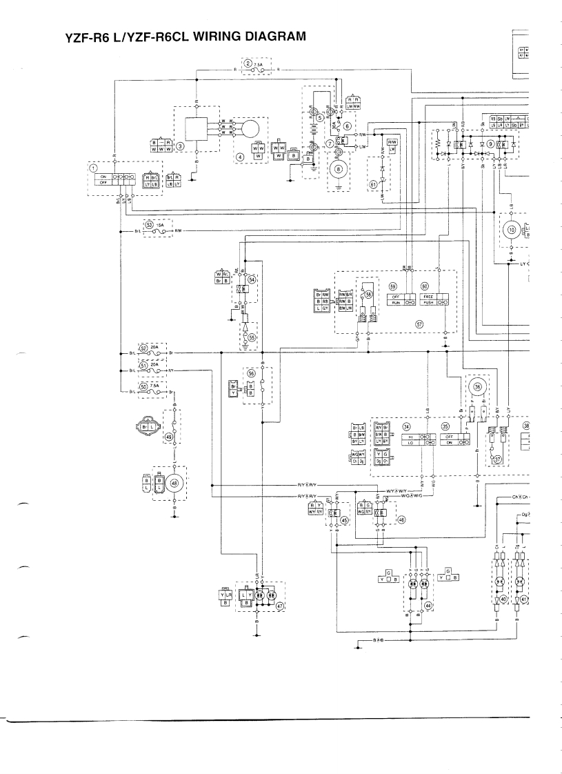
YZF-R6 L/YZF-R6CL WIRING DIAGRAM⑥8▣密迪⑩UH①:商4卧唱©墨翩-Ch4Ch-0。
喜欢就支持一下吧
评论 抢沙发

请登录后发表评论

    请登录后查看评论内容