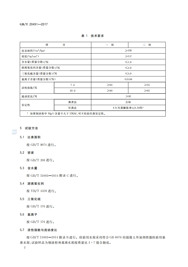
GB∕T-20491—2017-用于水泥和混凝土中的钢渣粉348072@abc4天前发布关注私信0.52MB7页0406GB∕T-20491—2017-用于水泥和混凝土中的钢渣粉此内容为付费资源,请付费后查看¥19¥23黄金会员免费钻石会员免费立即购买您当前未登录!建议登陆后购买,可保存购买订单付费资源 第1页 / 共7页 第2页 / 共7页 第3页 / 共7页 第4页 / 共7页 第5页 / 共7页 试读已结束,还剩2页,您可下载完整版后进行离线阅读 © 版权声明文章版权归作者所有,未经允许请勿转载。THE END土木工程工学类建材家居标准规范石油化工行业资料 文本预览 ICS77.140.99H54GB中华人民共和国国家标准GB/T20491-2017代替GB/T20491一2006网用于水泥和混凝土中的钢渣粉Steel slag powder used for cement and concrete2017-09-07发布2018-06-01实施中华人民共和国国家质量监督检验检疫总局发布中国国家标准化管理委员会 查看更多 收起部分 喜欢就支持一下吧点赞6 分享QQ空间微博QQ好友海报分享复制链接收藏
暂无评论内容