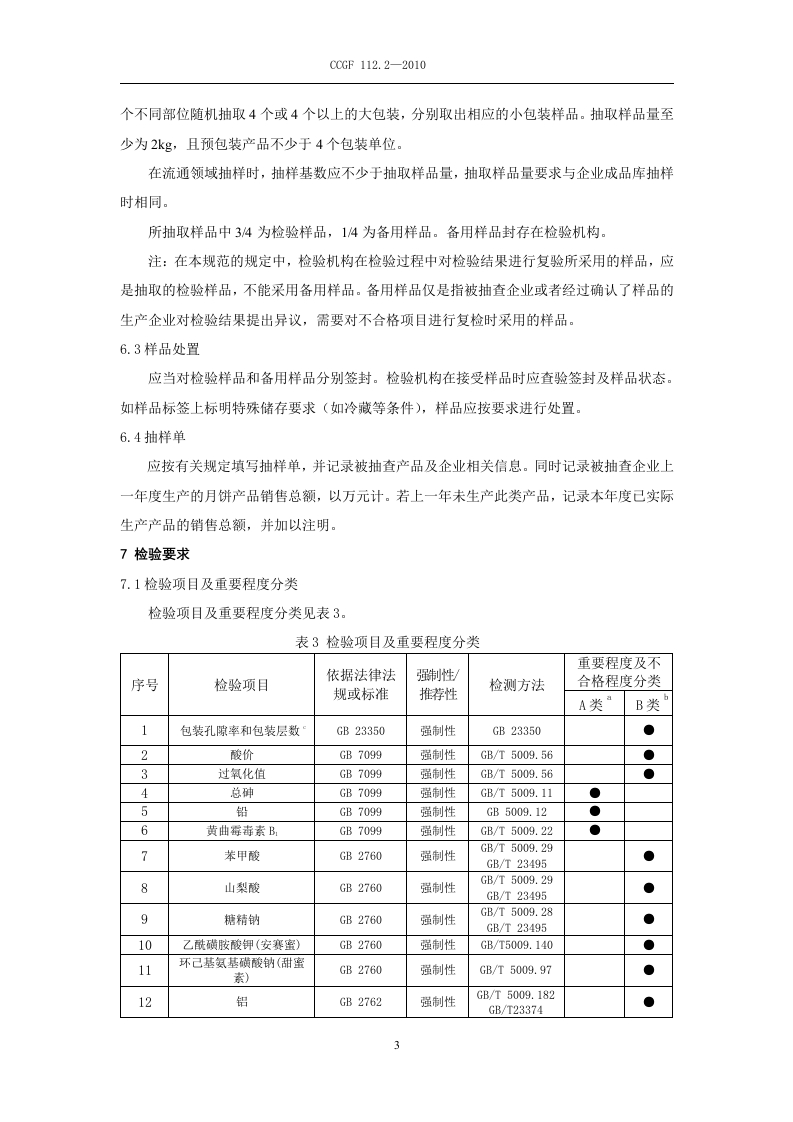
CCGF112.2-2010月饼348072@abc5小时前发布关注私信87KB6页022CCGF112.2-2010月饼此内容为付费资源,请付费后查看¥13¥19黄金会员免费钻石会员免费立即购买您当前未登录!建议登陆后购买,可保存购买订单付费资源 第1页 / 共6页 第2页 / 共6页 第3页 / 共6页 第4页 / 共6页 第5页 / 共6页 第6页 / 共6页 已完成全部阅读,共6页 THE END农学类标准规范餐饮美食 喜欢就支持一下吧收藏
请登录后查看评论内容