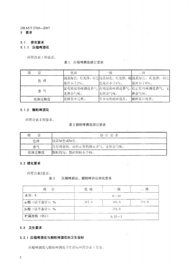
DB65_T2769-2007啤酒花348072@abc7小时前发布关注私信1.42MB7页023DB65_T2769-2007啤酒花此内容为付费资源,请付费后查看¥19¥23黄金会员免费钻石会员免费立即购买您当前未登录!建议登陆后购买,可保存购买订单付费资源 第1页 / 共7页 第2页 / 共7页 第3页 / 共7页 第4页 / 共7页 试读已结束,还剩3页,您可下载完整版后进行离线阅读 THE END农学类标准规范餐饮美食 喜欢就支持一下吧收藏
请登录后查看评论内容