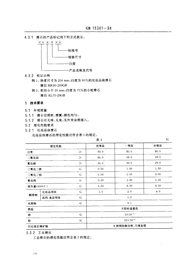
GB15341-1994滑石348072@abc4个月前发布关注私信0.11MB5页036GB15341-1994滑石此内容为付费资源,请付费后查看¥19¥23黄金会员免费钻石会员免费立即购买您当前未登录!建议登陆后购买,可保存购买订单付费资源 第1页 / 共5页 第2页 / 共5页 第3页 / 共5页 第4页 / 共5页 第5页 / 共5页 已完成全部阅读,共5页 THE END播放器标准规范餐饮美食 喜欢就支持一下吧收藏
请登录后查看评论内容