罗兰Roland-RS-202-Schematic电器原理图s

罗兰Roland-RS-202-Schematic电器原理图s新质力文库 - 聚焦新质生产力发展的数字化知识库_行业洞察 / 理论成果 / 实践指南免费下载新质力文库
罗兰Roland-RS-202-Schematic电器原理图s
此内容为付费资源,请付费后查看
2336
立即购买
您当前未登录!建议登陆后购买,可保存购买订单
付费资源

第1页 / 共10页
试读已结束,还剩9页,您可下载完整版后进行离线阅读
THE END
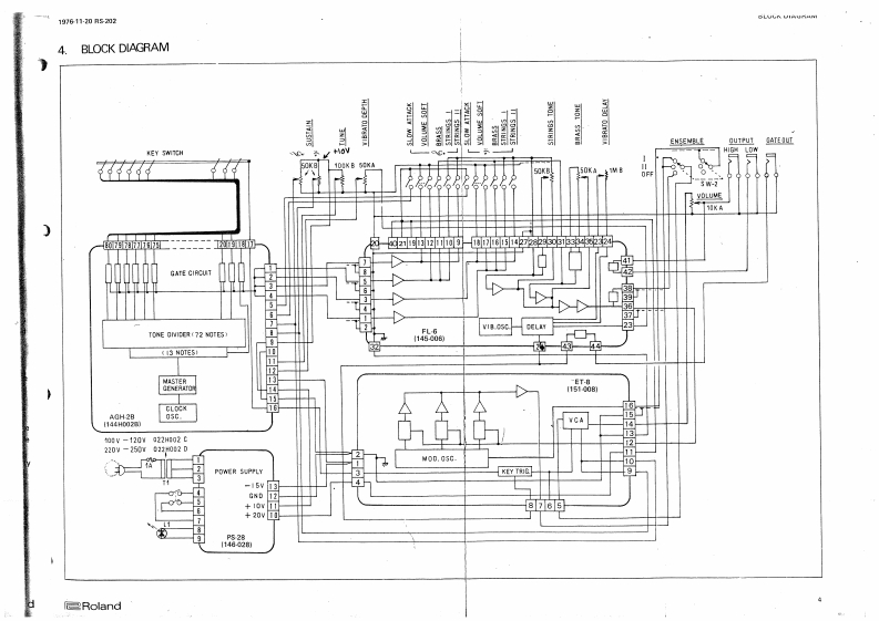
197611-70n52024.BLOCK DIAGRAM19130 OUT8BIENSENBLFSATE JU证NEY SWITCHNC.101B8YDLUVE077用1■17615142GATE CIRCUTTONE ONIDER(72 NOTESFL61145-C06I3M0TE51四MASTER-ET-GENERAIO115100810AOH 2B05011444000V-12022H02C220¥-250702100202M00.050-10POWER SUPPLY3KEY TRIE-15v3GND11+20v9P528148-62dRoland
喜欢就支持一下吧
评论 抢沙发

请登录后发表评论

    请登录后查看评论内容