

第1页 / 共10页
试读已结束,还剩9页,您可下载完整版后进行离线阅读
THE END
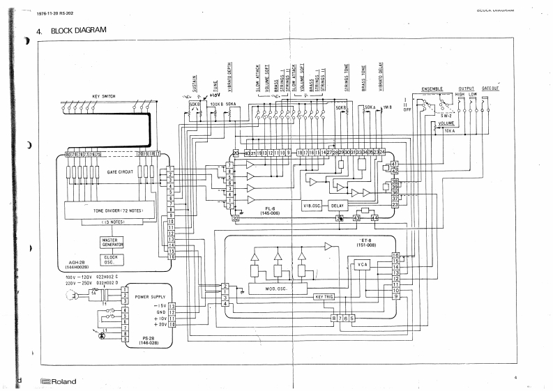
197611-70n52024.BLOCK DIAGRAM19130 OUT8BIENSENBLFSATE JU证NEY SWITCHNC.101B8YDLUVE077用1■17615142GATE CIRCUTTONE ONIDER(72 NOTESFL61145-C06I3M0TE51四MASTER-ET-GENERAIO115100810AOH 2B05011444000V-12022H02C220¥-250702100202M00.050-10POWER SUPPLY3KEY TRIE-15v3GND11+20v9P528148-62dRoland
请登录后查看评论内容