Ibanez_TS-10_Tube_Screamer_Classic_Distortion_Schematic电器原理图

Ibanez_TS-10_Tube_Screamer_Classic_Distortion_Schematic电器原理图新质力文库 - 聚焦新质生产力发展的数字化知识库_行业洞察 / 理论成果 / 实践指南免费下载新质力文库
Ibanez_TS-10_Tube_Screamer_Classic_Distortion_Schematic电器原理图
此内容为付费资源,请付费后查看
2636
立即购买
您当前未登录!建议登陆后购买,可保存购买订单
付费资源

第1页 / 共1页
已完成全部阅读,共1
THE END
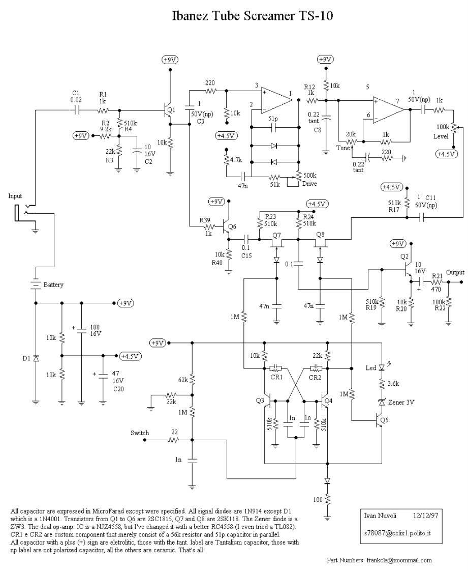
Ibanez Tube Screamer TS-10+9V+972203≥10kC1w服10.021k2W750V(p)1kWQ150V(p)乏10k0.22R23510kC351ptant.T9.2k了R4c8100k3+9V)W10k三+4.5V20k1kLevelW22k310HTone+T16V220R3C24kw+4.5V●0.22」LT+50ktant47m51k∫Drive+4.5V◆Input+9V)1C11+4.5V510kR1750V(np)R39Q6细H1kQ7Q80.1+9V◆10k≤C15Q2R40.11016vR21OutputBattery×1470+9V510k10k100k47n47nR19R20R221M1M3+10010k三16V+9VD1本◆+4.5V10k2210k+47归Led¥16V62kCR1CR2C20≥3.6kIM22kQ3Q4Zener 3VIMinQ5Switch22in100三All capacitor are expressed in MicroFarad except were specified.All signal diodes are 1N914 except D1which is a 1N4001.Transistors from O1 to 06 are 2SC1815,Q7 and O8 are 2SK118.The Zener diode is aIvan Nuvoli12/12/97ZW3.The dual op-amp.IC is a NJZ4558,but I've changed it with a better RC4558 (I even tried a TL082).CRI e CR2 are custom component that merely consist of a 56k resistor and 51p capacitor in parallels78087@cclix1.polito.itAll capacitor with a plus (+sign are eletrolitic,those with the tant.label are Tantalum capacitor,those withnp label are not polarized capacitor,all the others are ceramic.That's all!Part Numbers:frankcla@xoommail.com
喜欢就支持一下吧
评论 抢沙发

请登录后发表评论

    请登录后查看评论内容