Mackie_Promix_12FX_Schematic电器原理图s

Mackie_Promix_12FX_Schematic电器原理图s新质力文库 - 聚焦新质生产力发展的数字化知识库_行业洞察 / 理论成果 / 实践指南免费下载新质力文库
Mackie_Promix_12FX_Schematic电器原理图s
此内容为付费资源,请付费后查看
2939
立即购买
您当前未登录!建议登陆后购买,可保存购买订单
付费资源

第1页 / 共11页
试读已结束,还剩10页,您可下载完整版后进行离线阅读
THE END
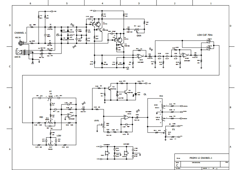
65321DCHANNEL 11LOW CUT 7SHzLE N工洲通阳■子口+HIPANe8MD计FXwLOWA皇器PROMX 12 OANNEL 1E根面五以网1F 1 D 11
喜欢就支持一下吧
评论 抢沙发

请登录后发表评论

    请登录后查看评论内容