

第1页 / 共26页

第2页 / 共26页
试读已结束,还剩24页,您可下载完整版后进行离线阅读
THE END
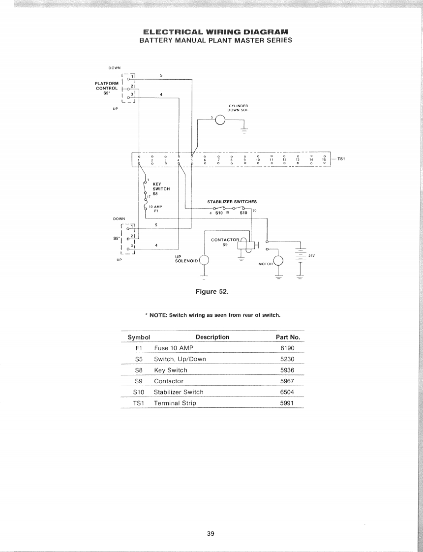
ELECTRICAL WIRING DIAGRAMBATTERY MANUAL PLANT MASTER SERIESDOWN5PLATFORMCONTROLS5.02/4CYLINDERDOWN SOL日g:888g日8gKEYSWITCH38STABILIZER SWITCHESDOWN「。5551CONTACTORS9UPSOLENOIDFigure 52.NOTE:Switch wiring as seen from rear of switch.SymbolDescriptionPart No.F1Fuse 10 AMP6190S5Switch,Up/Down5230S8Key Switch5936S9Contactor5967S10Stabilizer Switch6504TS1Terminal Strip599139
请登录后查看评论内容