

第1页 / 共7页

第2页 / 共7页
试读已结束,还剩5页,您可下载完整版后进行离线阅读
THE END
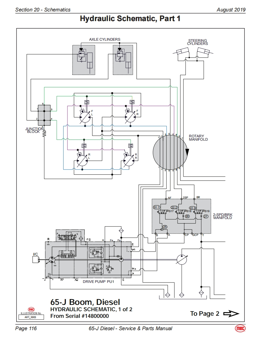
Section 20-SchematicsAugust 2019Hydraulic Schematic,Part 1AXLE CYLINDERS器s全ROTARYMANIFOLD2SPR2.①2.22.3MANIFBED25知蓝VCDRIE PUMP PU165-J Boom,DieselgHYDRAULIC SCHEMATIC,1 of 2ILLUSTRATION NoTo Page 2ART_5003From Serial #14800000Page 11665-J Diesel-Service Parts Manualmec
请登录后查看评论内容