CR-41维修手册含电器原理图

CR-41维修手册含电器原理图新质力文库 - 聚焦新质生产力发展的数字化知识库_行业洞察 / 理论成果 / 实践指南免费下载新质力文库
CR-41维修手册含电器原理图
此内容为付费资源,请付费后查看
1929
立即购买
您当前未登录!建议登陆后购买,可保存购买订单
付费资源

第1页 / 共8页
试读已结束,还剩7页,您可下载完整版后进行离线阅读
THE END
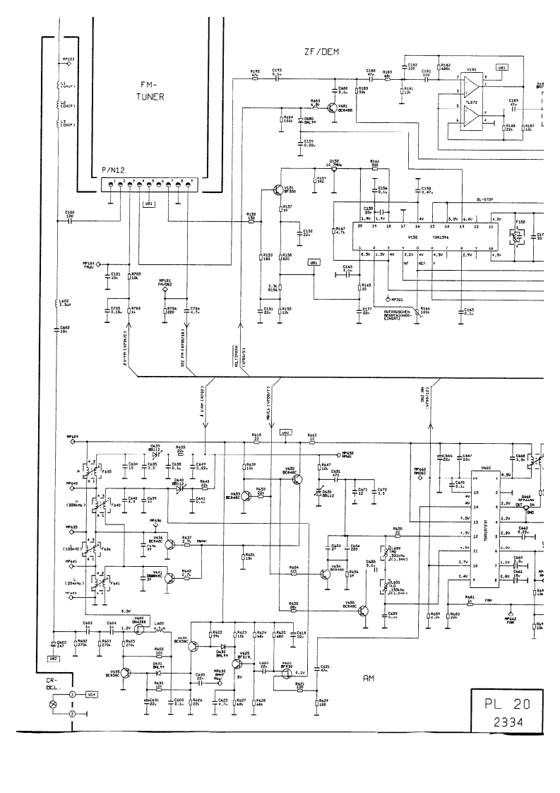
ZF/DEMrFM-TUNER+20t品werP/N12TTT0器H1,wL.TU2中1,2w4,w00盐中中器1COAIEIA3 HAnP酱」爱学本⊥4,3y「L个管平00器驾eCCR-鳄罪罗AMBEL①解PL 202334
喜欢就支持一下吧
评论 抢沙发

请登录后发表评论

    请登录后查看评论内容