CR-43维修手册含电器原理图

CR-43维修手册含电器原理图新质力文库 - 聚焦新质生产力发展的数字化知识库_行业洞察 / 理论成果 / 实践指南免费下载新质力文库
CR-43维修手册含电器原理图
此内容为付费资源,请付费后查看
1929
立即购买
您当前未登录!建议登陆后购买,可保存购买订单
付费资源

第1页 / 共6页
试读已结束,还剩5页,您可下载完整版后进行离线阅读
THE END
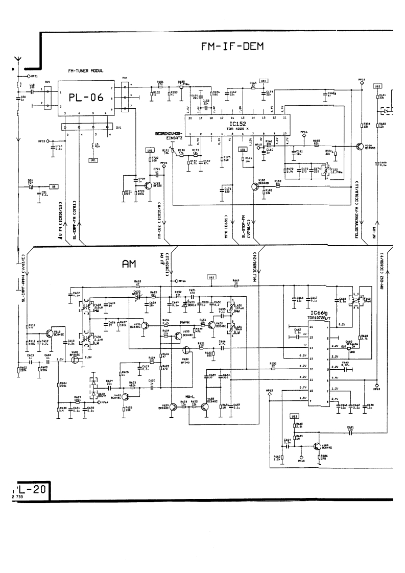
FM-IF-DEMFH-TUNER MOOULPL-06015IC152时0跟↓CRPIPMCHN-NT-2AMIc660T0A1072的/1MW-He「4.N2.wV0中g0器,L-202733
喜欢就支持一下吧
评论 抢沙发

请登录后发表评论

    请登录后查看评论内容