MAIN750HV维修手册含电器原理图

MAIN750HV维修手册含电器原理图新质力文库 - 聚焦新质生产力发展的数字化知识库_行业洞察 / 理论成果 / 实践指南免费下载新质力文库
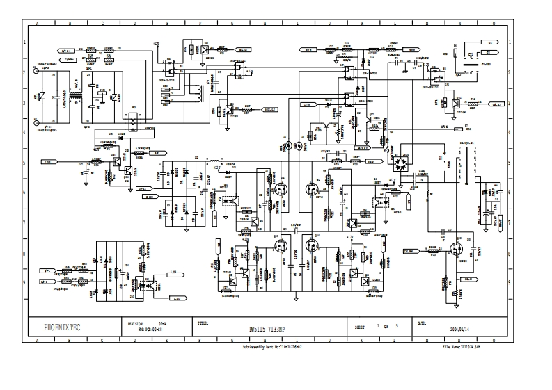
MAIN750HV维修手册含电器原理图
此内容为付费资源,请付费后查看
2939
立即购买
您当前未登录!建议登陆后购买,可保存购买订单
付费资源

第1页 / 共5页
试读已结束,还剩4页,您可下载完整版后进行离线阅读
THE END
u00日耶ePHOENIXTEC是n出业好a型:W5115113204R14女为1e出y:t金1业型阳141eg到卫3的
喜欢就支持一下吧
评论 抢沙发

请登录后发表评论

    请登录后查看评论内容