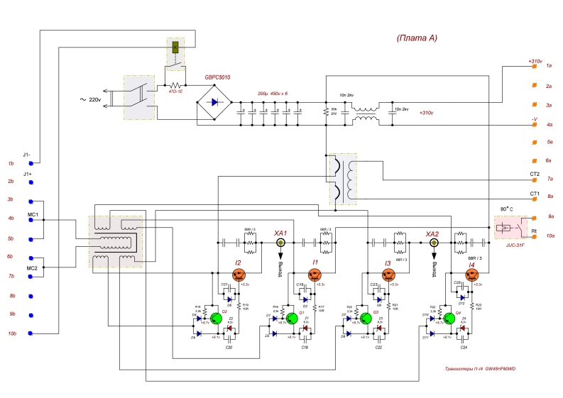
Micro1СВИ12051плата1A电器原理图

Micro1СВИ12051плата1A电器原理图新质力文库 - 聚焦新质生产力发展的数字化知识库_行业洞察 / 理论成果 / 实践指南免费下载新质力文库
Micro1СВИ12051плата1A电器原理图
此内容为付费资源,请付费后查看
2939
立即购买
您当前未登录!建议登陆后购买,可保存购买订单
付费资源

第1页 / 共1页
已完成全部阅读,共1
THE END
(nnama A)+3f0wG8P℃5010200u45w802kA2201+310w50J1-J1+CT227a80°CR/1XA1XA25驰TOsJUC-31F211MC221510Tpavavemopu /1-4 BW4SHF60WD
喜欢就支持一下吧
评论 抢沙发

请登录后发表评论

    请登录后查看评论内容