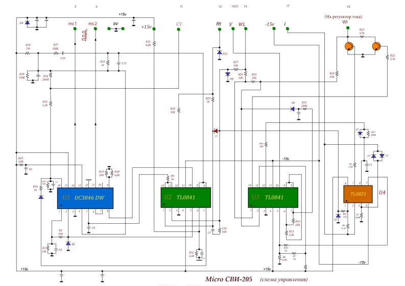
Micro1СВИ12051схема1управления电器原理图

Micro1СВИ12051схема1управления电器原理图新质力文库 - 聚焦新质生产力发展的数字化知识库_行业洞察 / 理论成果 / 实践指南免费下载新质力文库
Micro1СВИ12051схема1управления电器原理图
此内容为付费资源,请付费后查看
2939
立即购买
您当前未登录!建议登陆后购买,可保存购买订单
付费资源

第1页 / 共1页
已完成全部阅读,共1
THE END
23初47信+15(Ha perynarop Toka)mc2王+15vcrRr V WL-15wWI士A627252-157TL0821U4U1UC3846 DWU2TL08413TL08411c元-15+15y+15/Micro CBM-205(cxeMa ynpaeenua)
喜欢就支持一下吧
评论 抢沙发

请登录后发表评论

    请登录后查看评论内容