САИ-12501V16.01с1GP139电器原理图

САИ-12501V16.01с1GP139电器原理图新质力文库 - 聚焦新质生产力发展的数字化知识库_行业洞察 / 理论成果 / 实践指南免费下载新质力文库
САИ-12501V16.01с1GP139电器原理图
此内容为付费资源,请付费后查看
2939
立即购买
您当前未登录!建议登陆后购买,可保存购买订单
付费资源

第1页 / 共4页
试读已结束,还剩3页,您可下载完整版后进行离线阅读
THE END
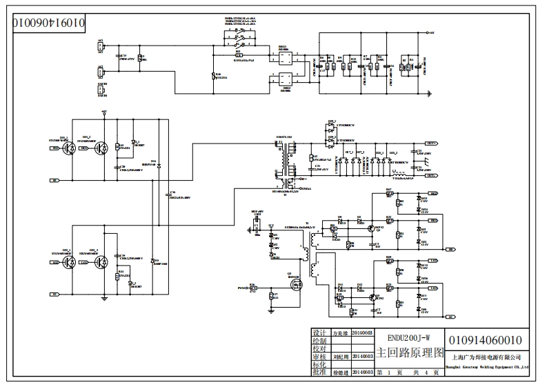
D1009016010益包南州©口D团D▣D设计方美20140@绘制ENDU200J-W010914060010校对审核周D1400主回路原理图上海广为焊接电源有限公司标化4 l Gaatway Teling Equ年wat国Ltd批准除德进D1403第】共4
喜欢就支持一下吧
评论 抢沙发

请登录后发表评论

    请登录后查看评论内容