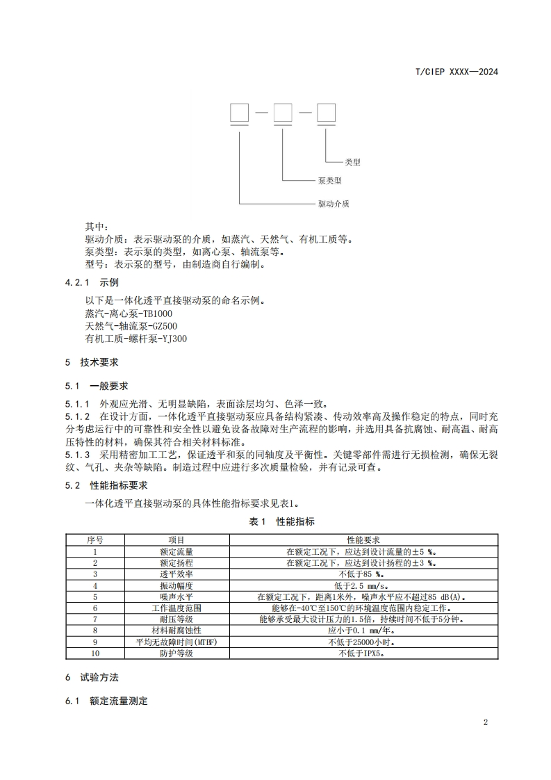
一体化透平直接驱动泵Integratedturbinedirectdrivepump

一体化透平直接驱动泵Integratedturbinedirectdrivepump新质力文库 - 聚焦新质生产力发展的数字化知识库_行业洞察 / 理论成果 / 实践指南免费下载新质力文库
一体化透平直接驱动泵Integratedturbinedirectdrivepump
此内容为付费资源,请付费后查看
1923
立即购买
您当前未登录!建议登陆后购买,可保存购买订单
付费资源

第1页 / 共8页

第2页 / 共8页

第3页 / 共8页

第4页 / 共8页

第5页 / 共8页
试读已结束,还剩3页,您可下载完整版后进行离线阅读
THE END
ICS23.080CCS J 71OVCIEP团体标准T/CIEP XXXX-2024一体化透平直接驱动泵Integrated turbine direct drive pump2024-Xx-XX发布2024-XX-XX实施中国工业环保促进会发布
喜欢就支持一下吧
评论 抢沙发

请登录后发表评论

    请登录后查看评论内容