

第1页 / 共7页

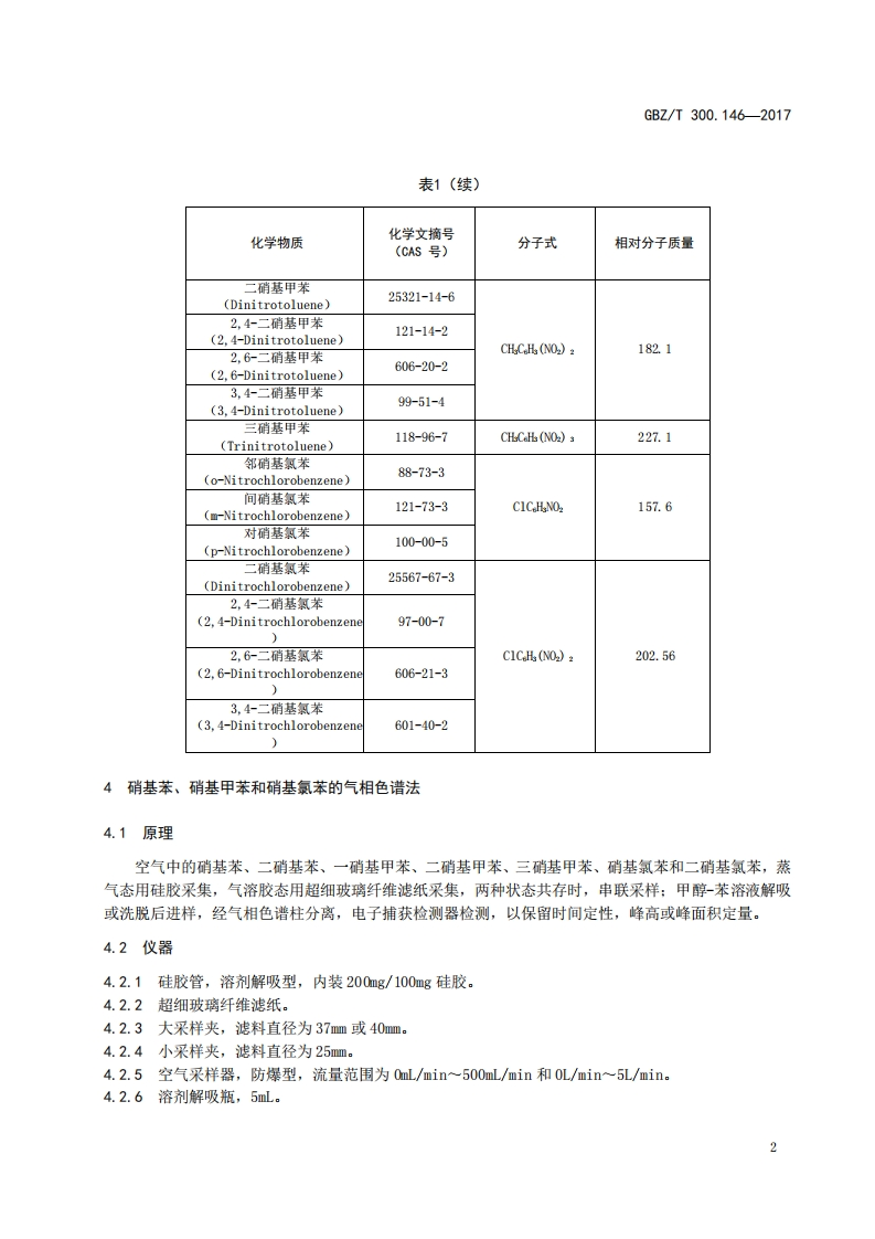
第2页 / 共7页

第3页 / 共7页

第4页 / 共7页

第5页 / 共7页
试读已结束,还剩2页,您可下载完整版后进行离线阅读
THE END
ICS13.100C52GBZ中华人民共和国国家职业卫生标准GBZ/T300.146-2017代替GBZ/T160.74一2004工作场所空气有毒物质测定第146部分:硝基苯、硝基甲苯和硝基氯苯Determination of toxic substances in workplace air-Part 146:Nitrobenzene,nitrotoluene and nitrochlorobenzene2017-11-09发布2018-05-01实施中华人民共和国国家卫生和计划生育委员会发布
请登录后查看评论内容