dano_special维修电器原理图说明书手册

dano_special维修电器原理图说明书手册新质力文库 - 聚焦新质生产力发展的数字化知识库_行业洞察 / 理论成果 / 实践指南免费下载新质力文库
dano_special维修电器原理图说明书手册
此内容为付费资源,请付费后查看
1619
立即购买
您当前未登录!建议登陆后购买,可保存购买订单
付费资源

第1页 / 共1页
已完成全部阅读,共1
THE END
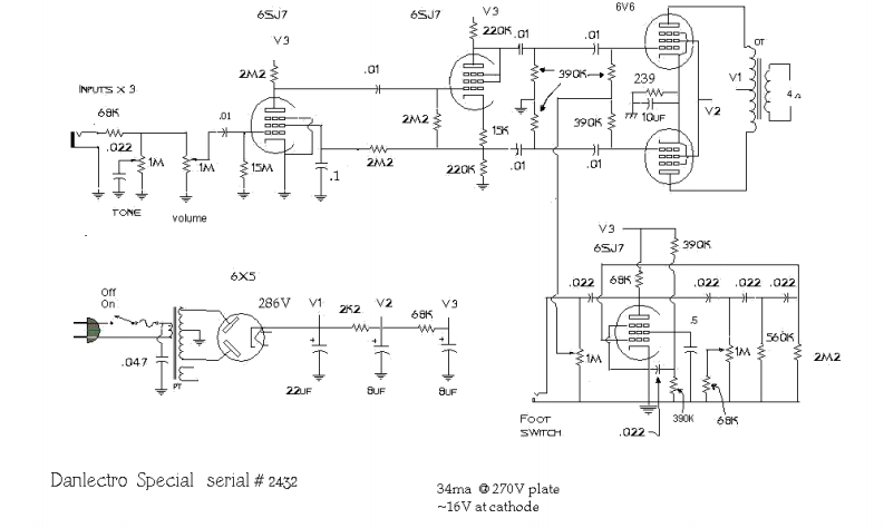
65J76SJ7V36v6V3220r.G1.a12M2.01390K+239INPUTS X 3.68K012M2390K10UF-WW15r0221M15M2M2220K01.01TONEvolumeV365J7多390K6X5.022.022.022.02200286VV1252V2V368KW5560K多1M047M2M222UF®UFFooT390KSWmCH,022Danlectro Special serial 243234ma @270V plate~16V at cathode
喜欢就支持一下吧
评论 抢沙发

请登录后发表评论

    请登录后查看评论内容